* Zdjęcia produktów mają charakter poglądowy i mogą nie odzwierciedlać ich rzeczywistego wyglądu. Aby uzyskać najnowsze informacje, zalecamy sprawdzenie strony internetowej producenta lub skontaktowanie się z nami za pośrednictwem poczty elektronicznej
DIAMOND TRÓJNIK DN50 2 MOSIĄDZ
Kod:
K-130.TRÓJ.50.Y
Opcje produktu
Dostawa
Dostawa na terenie Polski realizowana jest bezpłatnie, niezależnie od wielkości zamówienia. W przypadku dostaw na terenie Europy koszt transportu wynosi 370 zł, a szczegóły realizacji ustalane są indywidualnie.
Płatność
Oferujemy przejrzyste i elastyczne warunki płatności, dostosowane do potrzeb klientów biznesowych. Dostępne formy płatności oraz terminy realizacji ustalane są indywidualnie. Zapewniamy sprawną logistykę, bezpieczne pakowanie oraz terminową dostawę towarów, co pozwala na ciągłość realizacji projektów budowlanych i instalacyjnych.
Gwarancja
Oferujemy pełną gwarancję na produkty zakupione przez klientów biznesowych, zgodnie z obowiązującymi przepisami i warunkami producenta. Gwarancja obejmuje wady materiałowe oraz produkcyjne i zapewnia naprawę, wymianę lub inne rozwiązania ustalone w ramach zgłoszenia gwarancyjnego. Klienci mogą zgłaszać roszczenia gwarancyjne poprzez kontakt z naszym działem obsługi, co pozwala na szybkie i profesjonalne rozpatrzenie sprawy.
DIAMOND TRÓJNIK DN50 2 MOSIĄDZ
– Przeznaczone do instalacji wodociągowej i c.o.
– Materiał: mosiądz
– Gwinty typu G
Złączki mosiężne. Typ: K przeznaczone do instalacji wodociągowej i centralnego ogrzewania w budynkach. Kształtki wyposażone w gwinty typu G. Występują w postaci: kolanek, trójników, muf, przedłużek, redukcji, nypli, korków i zaślepek.
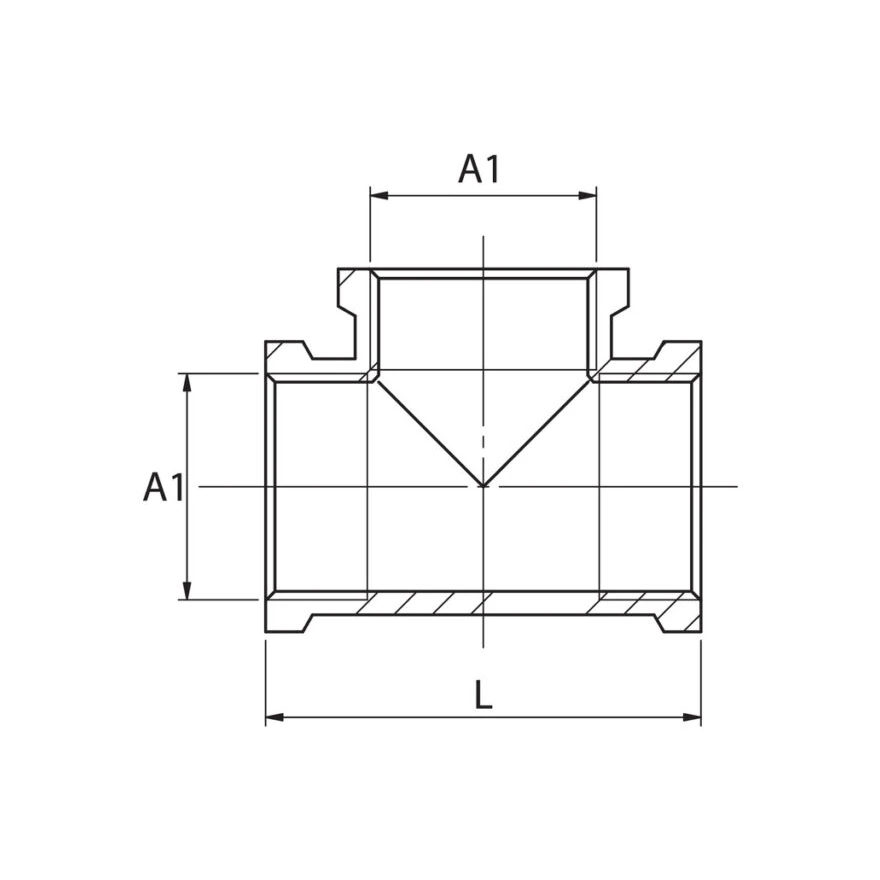
| KOD PRODUKTU | Wymiar A1 | Wymiar L [mm] |
|---|---|---|
| K-130.TRÓJ.10.Y. | G 3/8 | 36,5 |
| K-130.TRÓJ.15.Y. | G 1/2 | 43 |
| K-130.TRÓJ.20.Y. | G 3/4 | 51 |
| K-130.TRÓJ.25.Y. | G 1 | 64,5 |
| K-130.TRÓJ.32.Y. | G 1 1/4 | 90 |
| K-130.TRÓJ.40.Y | G 1 1/2 | 92 |
| K-130.TRÓJ.50.Y | G 2 | 112 |
| Rodzaj | trójnik |
| Rozmiar | DN50 2 |
| Kolor | żółta |
| Kod producenta | K-130.TRÓJ.50.Y |
| Producent | DIAMOND |
| Gwarancja (lat) | 2 |
